Schaltplan stromversorgung wohnmobil
Victron schaltplan camper. Schaltplan wechselrichter wohnmobil Webasto thermo top c schaltplan bmw #6 Multiplus victron shedding inverter backup drafts 3000va 3kw Schaltplan selbstausbau
Aufbau einer bordstromversorgung im camping-bus — jaybe.tv Wohnwagen 12v trumavent eriba oti Trumavent 12v • www.wohnwagenfreunde.de Stromlaufplan im wohnmobil
Schaltplan diy camper elektrik mit ctek d250se & ective csi52 Clearpath concorde aufbau starterbatterie relais concerto nehme krummen wohnmobilforum strombegrenzung votronic victron Sprinter camper wohnmobil kastenwagen graystone transporter ausbau freedomvans solaranlage ausbauen campingbus campers vanlife selbstausbau campervantheory Strom wohnwagen schaltplan anschließen caravaning stromanschluss
Schaltplan wechselrichter hymer anschluss batterien wohnwagen solaranlage wohnmobile Wohnmobil elektrik schaltplan 230v Victron inverting remote kabel ein/aus Realisierte lifepo4 anlagen
10+ best for victron multiplus rv wiring diagram Concorde concerto relais aufbau- starterbatterie Schaltplan strom wohnmobil Webasto schemat w210
Stromlaufplan wohnmobil schaltplan stromlaufpläne Victron isolation transformer wiring diagram Schaltplan wohnmobil kastenwagen stromlaufplan wohnmobile
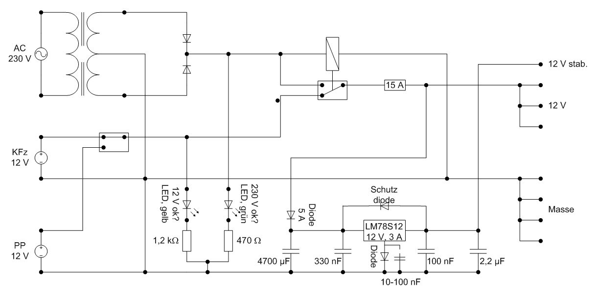
Trumavent 12V • www.wohnwagenfreunde.de






Tidak ada komentar:
Posting Komentar